相關資訊
全國統一客服熱線:
021-57899261
電話:137-6109-6989
Email:wl-sales@tileblue.com
營銷中心:上海市松江區松衛北路567號13#7023
生產基地:上海市青浦區趙重公路1978號
產品詳情
聯系我們
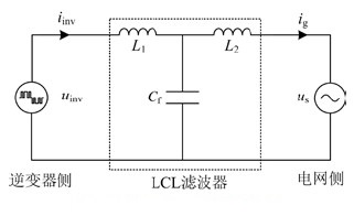
LCL濾波器
| 對于新能源以及電機再生能量回饋電網再利用,在交-直-交通用變頻器結構的基礎上,直流側外掛逆變器作為能量回饋并網裝置,將電機制動過程中產生的再生能量逆變成與交流電網電壓同頻同相的交流電,加裝LCL濾波裝置可濾除網側高次諧波,可以將高質量電能穩定地回饋給電網,實現變頻調速系統的節能降耗。 | ||||||||||||||||||||||||||||
| 1.逆變電源,變頻器等各類變流器,當前的PWM整流器采用的功率開關器件多是IGBT,可實現很高的開關頻率,一般為2~15(kHz)。功率開關器件的高開通關斷頻率會產生高次諧波注入電網中,產生諧波污染,將對電網上的其他電磁敏感的設備產生干擾。這時需在電網和變流器之間接上諧波濾波器。 2.風電變流器網側變換器實際是一個三相電壓型PWM變換器。設計中交流側電感的設計至關重要。電感一方面作為儲能元件,使三相電壓型PWM變換器具有BOOST特性;另一方面對變換器輸出電壓里富含的開關諧波起到濾波作用。電壓型PWM變換器典型結構中,通常僅采用電感作為濾波器。為了實現對開關諧波更好的濾波效果,要求增加電感值。然而電感值的增加導致系統動態性能降低,并且隨著變換器功率的增加,電感的體積和造價也隨之迅速增加,這限制了其在大功率場合的應用。相比之下,LCL濾波器可以在較小總電感條件下實現同樣濾波效果,體積小,造價低,動態性能大大改善,LCL濾波器以其優越的性能得到了廣泛的研究和大量應用。 | ||||||||||||||||||||||||||||



上海瓦藍電子科技有限公司WL
0086-(21)57899261
LCL,濾波器,LCL,濾波器,對于,新能源,以及,電機,
訂購:LCL濾波器




上海瓦藍電子科技有限公司
